
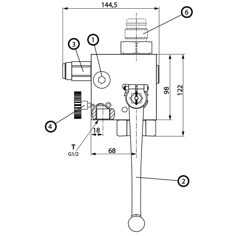
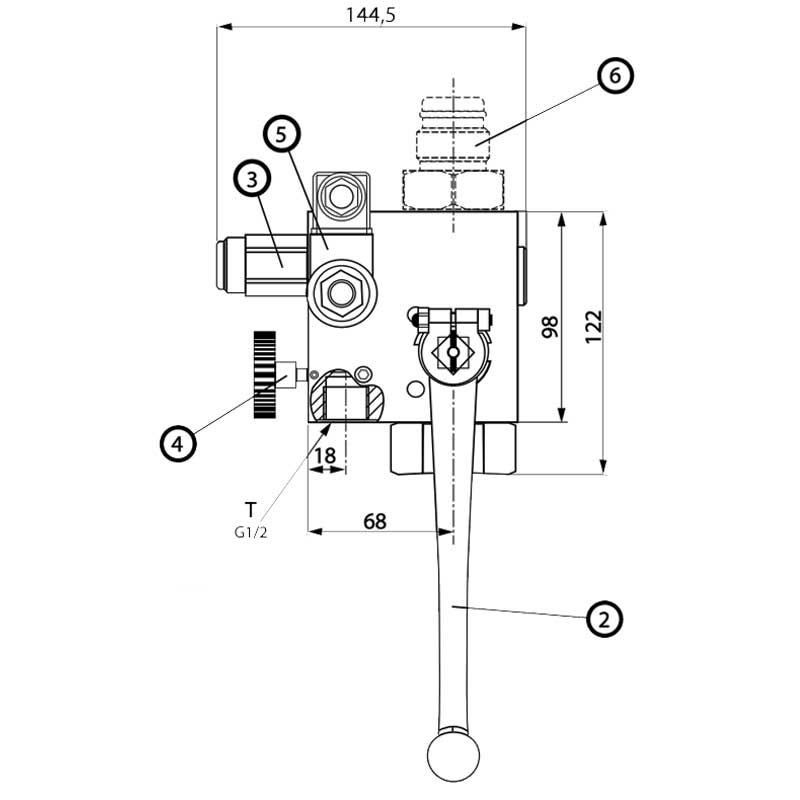
Sicherheits-,und Absperrblock
SSAB-1.0-20
manueller und elektrischer Ablass
Druckbegrenzungsventil Baumustergeprüft (PED97/23/EC)
Dichtungswerkstoff: FKM
Betriebstemperaturbereich: -25°C bis +80°C
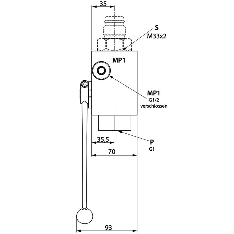
Max. Betriebsdruck P, SP,M1,M2: 350 bar
Max. Betriebsdruck T: 10 bar (addiert sich zum Einstelldruck)
Blockwerkstoff: Stahl
Schutzart nach VDE 0470-1/ DIN EN 60529
Version mit Sitzventil: Stromlos offen (andere auf Anfrage)
Pumpenanschluss: 1″ IG
Speicheranschluss M33x2
Tankanschluss 1/2″ IG
Messanschlüsse: 1/4″ IG







